|
Телевидение АНТЕННЫЕ УСИЛИТЕЛИ SWA
В публикуемой тут статье наш постоянный автор анализирует схемотехнику антенных усилителей польского производства и обосновывает свой осознанный подход к их выбору с точки зрения коэффициентов шума и усиления. Он также дает рекомендации по ремонту таких устройств, довольно часто выходящих из строя от грозовых разрядов, и устранению самовозбуждения. Это позволит/ надеемся, многим радиолюбителям не только остановить свой выбор необходимый усилитель, но и улучшить его работу.
Активные антенны польской фирмы ANPREL и некоторых других получили широкое распространение в РФ и странах СНГ. При незначительном собственном усилении,особенно в диапазоне MB, параметры такой антенны во многом определяются установленным на ней антенным усилителем. Именно этому блоку свойственен ряд недостатков: он склонен к самовозбуждению, имеет довольно рослый уровень собственных шумов, легко перегружается мощными сигналами диапазона MB, часто повреждается грозовыми разрядами. Эти проблемы знакомы многим владельцам таких антенн.
Вопросы эксплуатации антенных усилителей SWA и похожих крайне мало освещены в литературе. Можно отметить лишь публикацию [1], где указано на перегрузку усилителя сигналами MB. С остальными недостатками владельцам антенн приходится бороться известным способом: заменяя усилители, остановить свой выбор лучший. Однако такой метод требует много времени и сил, поскольку усилитель, как правило, труднодоступен - расположен сообща с антенной на высокой мачте.
Основываясь на анализе схемотехники, собственном опыте и некоторых материалах фирмы ANPREL, предлагаю более осознанный подход к выбору усилителей, а также способ ремонта, позволяющий возродить поврежденный блок, а в ряде случаев и улучшить его параметры.
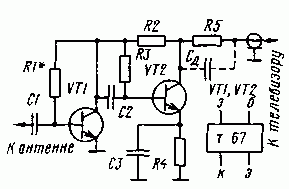
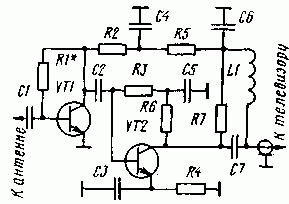
Рынок заполнен множеством взаимозаменяемых моделей антенных усилителей, выпускаемых фирмами ANPREL, TELTAD и др. под разными торговыми марками и номерами. Несмотря на такое разнообразие, большинство из них собраны по стандартной схеме и представляют собой двухкаскадный апериодический усилитель на биполярных транзисторах СВЧ, включенных по схеме с ОЭ. В подтверждение этому рассмотрим модели разных фирм: простой усилитель SWA-36 фирмы TELTAD, принципиальная схема которого показана на рис. 1, и распространенный усилитель SWA-49 (аналог SWA-9) фирмы ANPREL - рис.2.


Puc.1-2
Усилитель SWA-36 содержит два широкополосных каскада усиления на транзисторах VT1 и VT2. Сигнал с антенны через согласующий трансформатор (на схеме не показан) и конденсатор С1 поступает на базу транзистора VT1, включенного по схеме с ОЭ. Рабочая точка транзистора задана напряжением смещения, определяемым резистором R1. Действующая при этом отрицательная обратная связь (ООС) по напряжению линеаризует характеристику первого каскада, стабилизирует положение рабочей точки, но уменьшает немного его усиление. Частотная коррекция в первом каскаде отсутствует.
Второй каскад также выполнен на транзисторе по схеме с ОЭ и с ООС по напряжению через резисторы R2 и R3, но имеет ещё и токовую ООС через резистор R4 в эмиттерной цепи, жестко стабилизирующую режим транзистора VT2. Во избежание большой ущерб усиления резистор R4 зашунтирован по переменному току конденсатором СЗ, емкость которого выбрана относительно малой (10 пФ). В результате на нижних частотах диапазона емкостное сопротивление конденсатора СЗ оказывается существенным и возникающая ООС по переменному току уменьшает усиление, корректируя тем самым АЧХ усилителя.
К недостаткам усилителя SWA-36 можно отнести пассивные ущерб в выходной цепи на резисторе R5, который включен так, что на нем падает как постоянное напряжение питания, так и напряжение сигнала.
Аналогично построен и усилитель SWA-49 (рис. 2), который также имеет два каскада, собранных по схеме с ОЭ. Он отличается от SWA-36 лучшей развязкой по цепям питания через Г-образные фильтры L1C6, R5C4 и повышенным коэффициентом усиления за счет наличия конденсатора С5 в цепи ООС (R3C5R6) второго каскада и переходного конденсатора С7 на выходе.
Подобная схемотехника присуща большинству других усилителей SWA (см., например, схему усилителя SWA-3, изображенную в [1]). Незначительные отличия чаще всего находятся во втором каскаде, который может быть снабжен разными цепями частотной коррекции, иметь различную глубину ООС и,соответственно коэффициент усиления. У отдельных моделей, например SWA-7, первый и второй каскады имеют непосредственную связь - вывод коллектора транзистора VT1 соединен прямо с выводом базы транзистора VT2. Это позволяет охватить оба каскада петлей ООС по постоянному току и улучшить тем самым термостабильность усилителя.
В каскадах на транзисторах, включенных по схеме с ОЭ, наиболее велико влияние внутренних связей и емкостей переходов транзисторов. Оно проявляется в ограничении полосы пропускания и склонности усилителя к самовозбуждению, вероятность которого тем больше, чем выше коэффициент усиления. Для его оценки понятно понятие порога устойчивости - предельного значения коэффициента усиления, при превышении которого усилитель превращается в генератор. Многие антенные усилители SWA с большим усилением работают у порога устойчивости, чем объясняется их нередкое самовозбуждение.
В качестве мер повышения устойчивости усилителей компания ANPREL применяет разную топологию печатных плат (влияющую на емкость монтажа), поверхностные и объемные катушки, дроссели и т. п. Более радикальный способ: включение транзисторов по каскодной схеме с ОЭ-ОБ - почему-то не используется. При неизменной схеме включения транзисторов с ОЭ-ОЭ для решения проблемы устойчивости компания предпочитает дарить регулируемые блоки питания. Уменьшением его напряжения удается устранить самовозбуждение усилителя при сохранении достаточного усиления.
Основные параметры (коэффициент шума Kш и коэффициент усиления Ку) базовых моделей усилителей SWA по каталогу фирмы ANPREL указаны в табл.
1.
Рассмотрим взаимосвязь основных параметров со схемотехникой усилителей и их влияние на качество приема.
Как понятно, коэффициент усиления на высоких частотах в каскадах с ОЭ критичен к параметрам используемых транзисторов, особенно к граничной частоте frp. В усилителях SWA применены биполярные СВЧ транзисторы структуры п-р-п, маркированные как Т-67, реже - 415, которые и определяют максимально достижимый коэффициент усиления Ку двухкаскадного усилителя приблизительно 40 дБ. Разумеется, в столь широкой рабочей полосе частот коэффициент усиления не остается постоянным - его изменения достигают 10... 15 дБ вследствие неравномерности АЧХ на высших частотах диапазона и коррекции на низших. При максимальных значениях коэффициента усиления Ку трудно обеспечить устойчивость усилителей, поэтому в ряде моделей он ограничен значениями до 10...30дБ, что во многих случаях полностью довольно (см. табл. 1).

Вопреки распространенному мнению, следует отметить, что коэффициент усиления нельзя считать главным параметром антенного усилителя. Ведь сами телевизоры обладают весьма большим запасом собственного усиления, т. е. Имеют высокую чувствительность, ограниченную усилением. Несколько хуже у них чувствительность, ограниченная синхронизацией. И наконец, наиболее невысокая - чувствительность, ограниченная шумами [2]. Следовательно, фактором, определяющим отдаленный прием, следует принять уровень собственных шумов электронного тракта, а не коэффициент усиления. Другими словами, ограничение возможности приема в первую очередь наступает из-за влияния шумовых помех, а не из-за недостатка усиления сигнала.
Влияние шума оценивают по отношению сигнал/шум, минимальное роль которого принято равным 20 [2]. При этом отношении и определяют чувствительность, ограниченную шумами, которая равна напряжению входного сигнала, в 20 раз большему напряжения собственных шумов.
Для телевизоров третьего-пятого поколений чувствительность, ограниченная шумами, равна 50... 100 мкВ. Однако при отношении сигнал/шум, равном 20, наблюдаются очень плохие качество изображения и разборчивость только крупных деталей. Для получения изображения хорошего качества следует подать на вход телевизора полезный сигнал, примерно в 5 раз больший, т. е. обеспечить отношение сигнал/шум приблизительно 100 [2].
Антенный усилитель должен увеличивать отношение сигнал/шум, а для этого следует усиливать сигнал, а не шум. Но любой электронный усилитель неизбежно имеет собственные шумы, которые усиливаются сообща с полезным сигналом и ухудшают отношение сигнал/шум. Поэтому важнейшим параметром антенного усилителя следует считать его коэффициент шума Кш. Если он недостаточно мал, то повышение коэффициента усиления бесполезно, так как и сигнал, и шум усиливаются в равной мере и их отношение не улучшается. В результате более того при достаточном уровне сигнала на антенном входе телевизора изображение будет поражено интенсивной шумовой помехой (хорошо популярный всем "снег").
Для единой оценки шумов многокаскадного тракта существует показатель приведенного к входу коэффициента шума Кш, который равен уровню шума на выходе, поделенному на общий коэффициент усиления, т. е. Кш=Кш.вых/Ку. Так как выходной уровень шума Кш.вых зависит в наибольшей степени от уровня шума первого транзистора, усиливаемого всеми последующими каскадами, шумами остальных каскадов можно пренебречь. Тогда Кш.вых=Кш1Ку, где Кш, - коэффициент шума первого транзистора. Следовательно, получим Кш=Кш1, т. е. приведенный коэффициент шума усилительного тракта не зависит от числа каскадов и общего коэффициента усиления, а равен только коэффициенту шума первого транзистора.
Отсюда вытекает важный практический вывод - применение антенного усилителя может вручить положительный результат тогда, когда коэффициент шума первого транзистора усилителя меньше коэффициента шума первого каскада телевизора. В селекторах каналов телевизоров пятого поколения применен полевой транзистор КП327А с коэффициентом шума 4,5 дБ на частоте 800 МГц [З]. Следовательно, в первом каскаде антенного усилителя должен работать транзистор с Кш1<4,5 дБ на той же частоте. Причем, чем меньше это роль по сравнению с коэффициентом Кш1 телевизора, тем эффективнее применение усилителя и тем выше качество приема.
Коэффициент шума зависит также от качества согласования на входе усилителя и режима работы первого транзистора. Для усилителей SWA тип транзистора VT1, режим его работы и качество согласования определяет приведенный коэффициент Кш= 1,7...3,1 дБ (см. табл. 1).
Из изложенного выше ясно, что отбор антенного усилителя по принципу - чем больше коэффициент усиления, тем лучше - неверен. Именно поэтому многие обладатели, меняя усилители, не могут достичь хорошего результата. Причина такого парадоксального, на первый взгляд, факта содержится в том, что коэффициент шума, как правило, неизвестен (его нет в торговой информации фирм), а на самом деле он лишь незначительно отличается у многих моделей с разным усилением (см. табл. 1). Увеличение же коэффициента усиления при неизменном коэффициенте шума не дает выигрыша в отношении сигнал/шум и, следовательно, улучшения качества приема. Редкий успех достигается только тогда, когда случайно попадается малошумящий усилитель.
Следовательно, при выборе антенного усилителя ориентироваться нужно в первую очередь на минимальный уровень шума. Вполне хорошим можно считать усилитель с Кш<2 дБ. Из табл. 1 лучшими можно считать модели SWA-7, SWA-9, имеющие Кш=1,7 дБ. Информацию о коэффициенте шума новых усилителей можно найти в каталогах фирмы ANPREL или в сети Интернет.
Что же касается коэффициента усиления, то он, разумеется, тоже имеет роль, но не для максимального усиления слабых сигналов, а, в первую очередь, для компенсации потерь в соединительном кабеле, согласующе-разветвляющих устройствах и т. п. Из-за этих потерь при недостаточном усилении уровень сигнала на входе телевизора может упасть ниже порога чувствительности, ограниченной синхронизацией или более того усилением, что сделает прием невозможным. Поэтому для правильного выбора коэффициента усиления нужно быть в курсе затухание сигнала во всем соединительном тракте. А его ориентировочное роль несложно рассчитать.
Погонное затухание сигнала в распространенном кабеле марки РК-75-4-11 равно 0,07 дБ/м на первом-пятом, 0,13дБ/м на шестом-двенадцатом и 0,25...0,37 дБ/м на 21-60-м телевизионных каналах [2]. При длине фидера 50 м ослабление на 21-60-м каналах составит 12,5...17,5 дБ. Если установлен промышленный пассивный разветви-тель, он вносит дополнительные ущерб на каждом своем выходе, роль которых, как правило, указано на корпусе.
Рассчитав затухание в кабеле и прибавив к нему ослабление в разветвителе (если он есть), получают минимальный коэффициент усиления антенного усилителя. К нему прибавляют припас в 12...14 дБ для усиления слабых сигналов, что нужно из-за низкой эффективности широкополосных малогабаритных приемных антенн. По полученному значению Ку выбирают антенный усилитель. Намного превышать полученное роль коэффициента усиления не следует, так как это увеличивает вероятность самовозбуждения и перегрузки мощными сигналами близко расположенных станций.
Ремонт антенных усилителей в основном сводится к замене активных элементов, поврежденных грозовыми разрядами. Следует отметить, что наличие в некоторых моделях диода на входе не гарантирует полной молниезащиты: при мощном атмосферном разряде пробиваются как защитный диод, так и, как правило, оба транзистора.
Антенные усилители SWA собраны по технологии автоматической поверхностной сборки на микроэлементах, что требует аккуратности при ремонте. Пайку следует осуществлять малогабаритным паяльником с остро заточенным жалом. В неработающем усилителе следует осторожно, стараясь не повредить тонкие печатные проводники, выпаять микротранзисторы VT1, VT2 и защитный диод (если он есть).
Основные параметры отечественных транзисторов, пригодных для установки в усилители SWA, указаны в табл. 2 [З]. Из нее следует, что использование в первом каскаде транзисторов КТ391А-2, КТ3101А-2, КТ3115А-2, КТ3115Б-2, КТ3115В-2 шумовые характеристики большинства моделей усилителей не ухудшает, а применение транзисторов 2Т3124А-2, 2Т3124Б-2, 2Т3124В-2, КТ3132А-2 снижает Кш до 1,5 дБ, что улучшает параметры усилителя. Это обстоятельство позволяет рекомендовать замену первого транзистора усилителя на указанные последними более того в исправных, но "шумящих" усилителях с поставленной задачей повышения качества их работы. Необходимо отметить, что в табл. 2 даны предельные значения, типовые же параметры, как правило, лучше [З].

Малошумящие СВЧ транзисторы серий 2Т3124, КТ3132 относительно дороги и слаботочны, поэтому их лучше устанавливать только в первый каскад, а во втором использовать более дешевые и мощные транзисторы КТ391А-2, КТ3101А-2 (см. табл. 2) и более того серий КТ371, КТ372, КТ382,КТ399 и другие с граничной частотой приблизительно 2 ГГц [З]. Однако в последнем случае будет немного меньше коэффициент усиления на верхних частотах диапазона.
Размеры корпуса импортных микротранзисторов равны 1,2х2,8 мм при длине выводов 1...1.5 мм. Соответственно и расстояния на плате между печатными площадками для выводов транзисторов малы. Установка отечественных транзисторов с диаметром корпуса 2 мм со стороны поверхностного монтажа, хотя и возможна, но затруднительна: при пайке их можно повредить. Новые транзисторы лучше установить с противоположной стороны платы, просверлив предварительно отверстия для выводов сверлом диаметром 0,5...0,8 мм. Лучше сверлить не в самом печатном проводнике, а так, чтобы отверстие касалось края площадки. Если со стороны, противоположной поверхностному монтажу, имеется слой фольги, то отверстия в нем следует раз-зенковать сверлом диаметром 2...2,5 мм (кроме отверстия для вывода эмиттера транзистора VT1).
Затем устанавливают новые транзисторы так, чтобы кристаллодержатель или корпус прибора касался платы. Если выводы немаловажно выступают с прочий стороны, после пайки их следует откусить. СВЧ транзисторы чувствительны к статическому электричеству, поэтому при пайке следует соблюдать соответствующие меры защиты. Время пайки - не более 3 с [З].
Защитный диод можно не устанавливать. Лучшей защитой от атмосферного электричества служит хорошее заземление антенны.
В усилителях SWA оба транзистора работают с коллекторным током 10...12 мА. После замены такой ток приемлем для второго транзистора (например, КТ3101А-2), но превышает постоянно вероятный для первого, если установлены транзисторы серий КТ3115, КТ3124 и КТ3132А-2 (см. табл. 2). Коллекторный ток зависит от параметра h21э, по которому транзисторы имеют важный разброс. Поэтому после монтажа конкретного экземпляра нужно установить рабочую точку транзистора VT1. Для этого выпаивают микрорезистор R1 и вместо него временно подключают подстроечный резистор (СПЗ-23, СПЗ-27 и т. п.) сопротивлением 68...100 кОм. Перед включением питания движок резистора должен находиться в положении максимального сопротивления, чтобы не повредить транзистор.
На усилитель подают напряжение 12 8 от блока питания и измеряют падение напряжения на резисторе R2 (см. рис. 1 и 2). Поделив измеренное напряжение на сопротивление резистора R2, узнают коллекторный ток. Регулируя сопротивление подстроечного резистора в сторону уменьшения, добиваются коллекторного тока приблизительно 5 мА, что соответствует минимуму шумов по характеристике транзисторов [З]. На этом настройку заканчивают и вместо подстроечного резистора впаивают постоянный такого же сопротивления (МЛТ-0,125 или импортный), укоротив предварительно до минимума его выводы.
После этого покрывают печатную плату и бескорпусные транзисторы слоем радиотехнического лака или компаунда. Внешний вид восстановленного усилителя SWA-36 показан на рис.
3. В нем использованы транзисторы (рис. 3,а) 2Т3124Б-2 (VT1) и КТ3101А-2 (VT2). В связи с простейшей конструкцией усилителя приняты меры по устранению самовозбуждения: на вывод коллектора транзистора VT1 надето ферритовое микрокольцо (его применяют в селекторах каналов СК-М телевизоров ЗУСЦТ и 4УСЦТ). Коллекторный ток транзистора VT1 задан резистором R1 (рис. 3,6) номиналом 51 кОм (было 33 кОм).

Puc.3
Во втором каскаде были опробованы транзисторы серий КТ372, КТ399, с которыми сохранялись устойчивость и достаточный коэффициент усиления. При этом была проверена вероятность установки дополнительного конденсатора Сд емкостью 150 пФ (рис. 3,6), шунтирующего резистор R5 (см. рис. 1), для увеличения коэффициента усиления. При установке конденсатора самовозбуждение усилителя устраняют понижением напряжения питания.
В основном варианте (с транзисторами 2Т3124Б-2 и КТ3101А-2) усилитель обеспечил лучшее, чем до ремонта, качество приема, которое визуально оценено примерно одинаковым приему с новым усилителем SWA-9.
ЛИТЕРАТУРА
1. Тужилин С. Усилитель ДМВ из широкополосного. - Радио,1997, N 7,с.15.
2. Никитин В. Советы любителям дальнего приема телевидения. Сб.: "В помощь радиолюбителю", вып. 103. - М.: ДОСААФ, 1989.
3. Полупроводниковые приборы. Транзисторы малой мощности. Справочник. Под ред. А. В. Голомедова. - М.: Радио и связь, 1989.
А. ПАХОМОВ, г. Зерноград Ростовской обл.
(Радио 1-99)
Ссылки на схожие материалы:
|