
Для нашего лазера нам понадобится во первых сломанный или не очень резак! Чем менее сломан резак и чем быстрее он может записывать диски тем лучше, да кстати он должен быть DVD-RW. Если привод записывает DVD+/-R со скоростью 16х то там стоят 200мВт красные лазеры, в 20х приводах стоит лазер 270мВт, а в приводах со скоростью 22х мощность может доходить до 300мВт. Все DVD приводы также имеют сидишный ИК лазер, но как его определить вы узнаете позже Итак приступим! Разбираем резак, вытаскиваем оптическую часть. Вот так выглядит эта часть резака:
Ценного там только выходная линза и два лазера. Теперь достаем самое главное - DVD лазер:


А теперь внимание! Пока вы еще не начали играть с новой игрушкой распишу-ка я вам технику безопасности. Лазер из DVD-RW привода относится к классу 3B, а значит он очень опасен для зрения! не направляйте луч в глаза и в зеркало! даже глазом моргнуть не успеете, как потеряете зрение! парнишка на одном форуме засветил себе нечаянно, попал на несколько тысяч уёв. это ему считай повезло. сфокусированным лучом ослепить можно и со ста метров! смотрите куда светите!
Можно ли испортить ЛД(лазерный диод)? Можно! Даже очень просто. Стоит только превысить ток и диоду наступит конец. Причем доли микросекунд будет достаточно! Именно поэтому ЛД боятся статического электричества. Оберегайте ЛД от него! На самом деле ЛД не сгорает, просто рушится оптический резонатор внутри и ЛД превращается в обычный светодиод. резонатор рушится не от тока, а от световой интенсивности, которая в свою очередь зависит от тока. Также надо быть внимательным к температуре. При охлаждении лазера, КПД его растет, и при том же токе интенсивность возрастает и может разрушить резонатор! Осторожнее! Еще его легко убить переходными процессами, возникающими при включении и выключении! От них стоит защититься.
Достаем лазер и сразу же тонкой жилой из многожильного провода обматываем ему ноги! чтобы электрически выводы ЛД были соединены! припаеваем к его ногам небольшой неполярный конденсатор на 0,1мкФ и полярный на 100мкФ и только потом снимаем жилу, которую намотали! Так мы спасем его от статики и переходных процессов, которые ЛД очень не любят!
Теперь время подумать о питании нашего лазера. ЛД питается примерно от 3V и потребляет 200-400мА в зависимости от мощности(скорости привода). Лазер это не лампочка! Ни в коем случае не подсоединяйте его напрямую к батарейкам! Без ограничительного резистора его быстро убьют и 2 батарейки от лазерной указки! ЛД нелинейный элемент, поэтому питать его надо не напряжением, а током! то есть нужны токо ограничивающие элементы.
Вот так лазер выглядит изнутри:
Рассмотрим три схемы питания ЛД от простейшей, к наиболее сложной. Все схемы питаются от источников постоянного тока, например аккумуляторов.
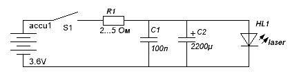
1 Вариант. Ограничение тока резистором.

Cопротивление резистора определяется экспериментально, по току через ЛД. Cтоит остановиться на 200мА для 16х, дальше риск спалить больше. хотя мой ЛД и на 300мА работал прекрасно. для питания подойдут три любых аккумулятора на нужную емкость. также удобно использовать аккумулятор от мобильного телефона(любого).
Достоинства: простая конструкция, высокая надежность.
Недостатки: ток через ЛД постепенно падает. И толком не понятно когда конструкцию пора подзаряжать.Использование трех аккумуляторов усложняет конструкцию и неудобна зарядка.
Данную схему удобно размещать в китайском фанарике, где стоит батарея из трех ААА(мизинчиковых) батареек.
А вот так он выглядит в сборе:
Два резистора по 1 Ому последовательно и два конденсатора.
Вариант 2. Использование микросхемы LM317
В этой схеме все гораздо сложнее, и она прекрасно подходит для стационарного варианта лазера! В драйвере используется микросхема LM317, которая включена стабилизатором тока. См рисунок.
Драйвер поддерживает постоянный ток через ЛД независимо от питания(не меньше 7В) и температуры. Советую скачать даташит на эту микросхему и разобраться основательней, а так это лучший драйвер для дома!
3 Вариант. Компактный.
Это то, что нужно! Питание от двух аккумуляторов, стабильное напряжение (а следовательно и ток) на ЛД, которое не зависит от уровня зарядки акккумуляторов! Когда аккумуляторы разрядятся, схема выключится и через ЛД будет идти малый ток (слабое свечение). Наиболее умный и экономичный драйвер! КПД около 90%. И все это на одной LM2621 в малюсеньком корпусе 3х3мм!! тяжело паять, зато у меня получилась плата 16х17мм! И это не предел! См рисунок



Дроссель L1 я намотал на шару, микруха умная, сама во всем разберется). Я намотал 15 витков проводом 0.5мм на дросселе от компьютерного БП. Внутренний диаметр дросселя 2.5мм,
проницаемость феррита неизвестна. Диод шоттки любой 3-х амперный. Например 1N5821,30BQ060,31DQ10,MBRS340T3,SB360,SK34A,SR360. Резистором R1 настраиваем ток диода. советую при настройке подключить туда переменник на 100к. Кстати, все испытания желательно проводить на мертвом ЛД! электрические параметры остаются неизменными. Выбрав для себя подходящую схему, собираем её! Ну а дальше полет для фантазии!! нужно придумать как закрепить оптику! причем ЛД нужно поставить на радиатор! При большом токе он очень хорошо греется! так что заранее продумывайте конструкцию.
Теперь насчет оптики.

Удобно использовать лазерную указку как основу для коллиматора. В ней стоит неплохая линза. Но луч получается примерно 5мм диаметром, а это много. лучшие результаты показывает родная оптика (выходная линза) но с ней свои трудности: фокусное расстояние мало, а значит фокус очень сложно настроить, но в тоже время это позволяет получить луч диаметром 1мм!! к слову, чем уже луч, тем большая энергия прикладывается к 1мм^2 таким лучом можно влегкую шинковать черные пакеты)) если же выполнять фокусировку не в луч, а в точку, то в этой точке плавится пластмасса, режется изолента, дерево начинает аж светиться белым светом от нагрева!(6000градусов не шутки :)) и многое другое!!
Вот несколько фоток луча и самой указки:



А теперь бегом искать DVD привод!! :))





