Мультивибратор.
Первая схема - простейший мультивибратор. Не
смотря не его простоту, область применения его очень широка. Ни одно
электронное устройство не обходится без него.
На первом рисунке изображена его принципиальная схема.

В качестве нагрузки используются светодиоды. Когда мультивибратор работает - светодиоды переключаются.
Для сборки потребуется минимум деталей. Вот список:
1. Резисторы 500 Ом - 2 штуки
2. Резисторы 10 кОм - 2 штуки
3. Конденсатор электролитический 1 мкФ на 16 вольт - 2 штуки
4. Транзистор КТ972А - 2 штуки
5. Светодиод - 2 штуки
Транзисторы КТ972А являются составными транзисторами, то есть в их
корпусе имеется два транзистора, и он обладает высокой чувствительностью
и выдерживает значительный ток без теплоотвода.
Когда вы
приобретёте все детали, вооружайтесь паяльником и принимайтесь за
сборку. Для проведения опытов не стоит делать печатную плату, можно
собрать всё навесным монтажём. Спаивайте так, как показано на рисунках.


Рисунки специально сделаны в разных ракурсах и можно подробно рассмотреть все детали монтажа.
А уж как применить собранное устройство, пусть подскажет ваша фантазия!
Например, вместо светодиодов можно поставить реле, а этим реле
коммутировать более мощную нагрузку. Если изменить номиналы резисторов
или конденсаторов – изменится частота переключения. Изменением частоты
можно добиться очень интересных эффектов, от писка в динамике, до паузы
на много секунд.
А это схема простого фотореле. Это устройство с
успехом можно применить где Вам угодно, для автоматической подсветки
лотка DVD, для включения света или для сигнализации от проникновения в
тёмный шкаф Предоставлены два варианта схемы. В одном варианте схема активируется светом, а другом его отсутствием.


Работает это так: когда свет от светодиода попадает на фотодиод,
транзистор откроется и начнёт светиться светодиод-2. Подстроечным
резистором регулируется чувствительность устройства. В качестве
фотодиода можно применить фотодиод от старой шариковой мышки. Светодиод -
любой инфракрасный светодиод. Применение инфракрасного фотодиода и
светодиода позволит избежать помех от видимого света. В качестве
светодиода-2 подойдёт любой светодиод или цепочка из нескольких
светодиодов. Можно применить и лампу накаливания. А если вместо
светодиода поставить электромагнитное реле, то можно будет управлять
мощными лампами накаливания, или какими-то механизмами.
На рисунках предоставлены обе схемы, цоколёвка(расположение ножек) транзистора и светодиода, а так же монтажная схема.

При отсутствии фотодиода, можно взять старый транзистор МП39 или МП42 и спилить у него корпус напротив коллектора, вот так:

Вместо фотодиода в схему надо будет включить p-n переход транзистора.
Какой именно будет работать лучше – Вам предстоит определить
экспериментально.
Усилитель мощности на микросхеме TDA1558Q.
Этот усилитель имеет выходную мощность 2 Х 22 ватта и достаточно прост
для повторения начинающими радиолюбителями. Такая схема пригодится Вам
для самодельных колонок, или для самодельного музыкального центра,
который можно сделать из старого MP3 плеера.

Для его сборки понадобится всего пять деталей. Вот их список:
1. Микросхема - TDA1558Q
2. Конденсатор 0.22 мкФ
3. Конденсатор 0.33 мкФ – 2 штуки
4. Электролитический конденсатор 6800 мкФ на 16 вольт
Микросхема имеет довольно высокую выходную мощность и для её охлаждения
понадобится радиатор. Можно применить радиатор от процессора.
Всю
сборку можно произвести навесным монтажом без применения печатной платы.
Сначала у микросхемы надо удалить выводы 4, 9 и 15. Они не
используются. Отсчёт выводов идёт слева направо, если держать её
выводами к себе и маркировкой вверх. Потом аккуратно распрямите выводы.
Далее отогните выводы 5, 13 и 14 вверх, все эти выводы подключаются к
плюсу питания. Следующим шагом отогните выводы 3, 7 и 11 вниз – это
минус питания, или «земля». После этих манипуляций прикрутите микросхему
к теплоотводу, используя теплопроводную пасту. На рисунках виден монтаж
с разных ракурсов, но я всё же поясню. Выводы 1 и 2 спаиваются вместе –
это вход правого канала, к ним надо припаять конденсатор 0.33 мкФ.
Точно так же надо поступить с выводами 16 и 17. Общий провод для входа
это минус питания или «земля».
К выводам 5, 13 и 14 припаяйте
провод плюса питания. Этот же провод припаивается к плюсу конденсатора
6800 мкФ. Отогнутые вниз выводы 3, 7 и 11 так же спаиваются вместе
проводом, и этот провод припаивается к минусу конденсатора 6800 мкФ.
Далее от конденсатора провода идут к источнику питания.
Выводы 6 и 8 – это выход правого канала, 6 вывод припаивается к плюсу динамика, а вывод 8 к минусу.
Выводы 10 и 12 – это выход левого канала, вывод 10 припаивается к плюсу динамика, а вывод 12 к минусу.
Конденсатор 0.22 мкФ надо припаять параллельно выводам конденсатора 6800 мкФ.
Прежде чем подавать питание, внимательно проверьте правильность
монтажа. На входе усилителя надо поставить сдвоенный переменный резистор
100 килоом для регулировки громкости.


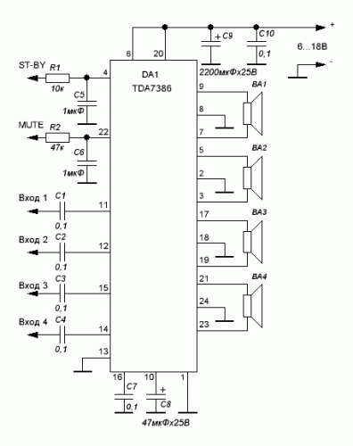
Вот ещё одна схема для усилителя

TDA7386 она даёт 4х30.Вт.
материал взят с сайта www.casemods.ru




