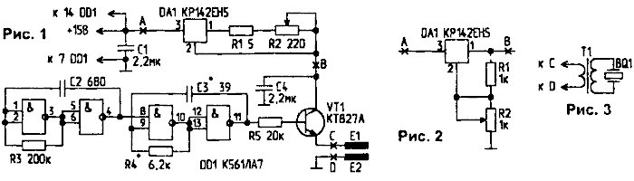
УЗСУ состоит из источника питания ( микросхема DA1), двух взаимосвязанных генераторов, работающих на частотах 10 кГц и 1 МГц ( микросхема DD1 ), выходного каскада на транзисторе VT1 и активатора-излучателя, подключаемого к точкам С и D устройства. Источник питания в прототипе выполнен нерегулируемым, рассчитанным на максимальную мощность, потребляемую от сети - 3 Вт, что достаточно для стирки белья в объеме жидкости 10...25 литров. Более целесообразным представляется обеспечить УЗСУ плавной регулировкой выходной мощности. На рис.1 в разрыв между точками А и В включен регулируемый источник стабилизированного постоянного тока (25...1000 мА).
На рис.2 показана схема регулируемого источника питания (5...13 В). Генератор пакетов импульсов выполнен по традиционной схеме на микросхеме DD1 и особенностей не имеет. Номиналы RC-элементов высокочастотной части генератора могут быть откорректированы при настройке частоты в резонанс с частотой ультразвукового излучателя-активатора. Микросхема DA1 и транзистор VT1 должны быть установлены на теплоотводящих пластинах. Наиболее проблематичным в практической реализации УЗСУ является выбор ультразвукового излучателя-активатора и обеспечение его гидроизоляции при одновременном достижении максимальной отдачи энергии ультразвуковых колебаний в окружающую среду (жидкость). Обычно в качестве ультразвукового излучателя используют пьезокерамику - титанат бария, стронция, излучатели на ферритовых или пермаллоевых сердечниках, пьезокварцевые пластины (рис.3) [2-4], что открывает широкое поле для эксперимента. Одним из интересных вариантов получения ультразвуковых колебаний является просто пропускание импульсов электрического тока через воду с использованием системы близко расположенных электродов, подключенных к точкам А и В устройства. Периодическое прохождение импульсов тока между электродами вызовет акустическую электростимулированную модуляцию раствора. В качестве электродов можно рекомендовать алюминий или графит. При стирке должна быть обеспечена надежная развязка от питающей сети. Емкость для стирки (ведро, таз) должны быть удалены от заземленных предметов и установлены на сухом полу. Акустические колебания в стирающем растворе можно возбуждать и в диапазоне звуковых частот. Эксперименты показали, что стирка в таких условиях происходит с приемлемым по сравнению с прототипом результатом. Особенности стирки с применением УЗСУ - в стирающий раствор засыпают столько же стирающего порошка, как и при ручной стирке, температура воды должна быть порядка 65°С. Белье должно свободно плавать в растворе, изредка его следует помешивать деревянным щипцами. Сильно загрязненные участки белья рекомендуется дополнительно намылить. Процесс стирки длится 30...40 минут или более (в зависимости от КПД ультразвукового активатора). Полоскать белье можно также с использованием УЗСУ. Следует отметить, что опыт оптимального использования УЗСУ появляется после нескольких стирок.



