|
Электронные устройства широко применяются в системах сигнализации и автоматизации. Мы хотим познакомить вас с одним из простейших примеров возможного применения электронного устройства. Модель такого устройства смогут собрать даже неопытные, начинающие, радиолюбители. Наш «электронный сторож» (так мы решили его назвать) будет сигнализировать о появлении званных или не званных гостей в помещении или на определенной территорий.
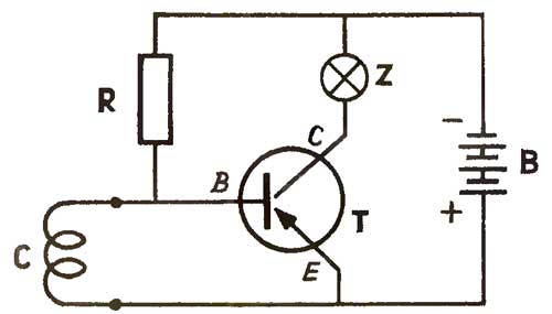
Принципиальная схема «сторожа» показана на рисунке.
Какова система работы «электронного сторожа»? Когда цепь датчика замкнута, ток не течет через лампочку. Лампочка не горит. В случае размыкания цепи датчика в цепи транзистора появится ток, и лампочка, находящаяся в той же цепи, загорится.
Датчик может быть различного вида: тонкая проволочка (например, от обмотки перегоревшего трансформатора), незаметно развешенная над или перед дверью, или же длинный медный провод, окружающий охраняемую «сторожем» территорию.

Можно тоже установить соответствующий контакт в двери, размыкающийся при её открывании. Впрочем, тип датчика придумайте сами. Провода в цепи датчика практически могут быть любой длины. Лишь в том случае, если применен датчик в виде провода, окружающего большую территорию, нужно учесть, что для провода диаметром примерно в 0,20— 0,25 мм длина не должна превышать 200—300 метров, а если провод еще тоньше, — 100—200 метров.
Какие нам понадобятся детали:
Т — транзистор типа П15,
Z — миниатюрная лампочка 2,5 в/0,1 а,
R — резистор 2—10 ком/0,25 вт,
С — датчик (как в описании или собственной конструкции),
В — батарея 4,5 в.
Величину резистора нужно подобрать опытным путем так, чтобы при разомкнутой цепи датчика лампочка светила довольно ярко. Пользоваться рекомендуем только такой лампочкой, на цоколе которой имеются надписи: 2,5 в/0,1 а. Применять иные лампочки не советуем, так как это грозит повреждением (перегревом) транзистора.
В «бодрствующем» состоянии наш электронный сторож потребляет от батареи очень мало тока. Поэтому одной батареи достаточно на долгое время. Батарею можно и не выключать, но при этом следует следить за тем, чтобы цепь датчика была замкнута. Монтаж, размещение деталей и другие возможные варианты не влияют на работу устройства. Всё это сделать вы можете по своему усмотрению, а, кроме того, каждый из вас может внести свои изменения в схему, улучшающие работу необычного сторожа.
Ссылки на схожие материалы:
|