Усилитель мощности, Усилитель мощности 200 ВТ, Усилитель мощности на одной микросх, мощных УМЗЧ">
Четверг, 15.01.2026, 23:07
Для умелых рук
Главная | | Мой профиль | Регистрация | Выход | Вход
Поиск на сайте
Разделы
Полезные советы [96]
Электронные [149]
Сад и огород [33]
Новогодние поделки [22]
Умелое домоводство [15]
Строительство [13]
Рукоделие [13]
Компьютер сделай сам [7]
Из хлама и мусора [7]
Сувениры [4]
Как сделать [85]
Очумелые ручки [41]
Дизайн,ландшафт [15]
Автомобильные [18]
Методики, технологии, изобретения [15]
Из дерева и ДСП [14]
Делаем ремонт [16]
Мастеру на заметку [7]
Кулинария [26]
Мастер-Классы по Хэндмейду [6]
Шьем вяжем [8]
Лучшее на aliexpress [0]
Самые интересные и недорогие товары на aliexpress.com

Каталог файлов

Библиотека самоделкина [141]
Программы [28]
Другие [269]
Радиомастерская [53]
Полезное и интересное [183]
Игры и игрушки [0]
Видео [18]
Вкусно [7]
Для детей [7]
Мой уютный дом [191]

Меню сайта
Главная страница Файлы Самоделкина Видео Фотогалерея Самоделкина Электронные Экономия Делаем своими руками Компьютерные Стройка Сборка онлайн радио Форум Самоделкина Каталог сайтов Обмен ссылками Полезные статьи История сайта
Зайти на сайт
Подписка
Подписка на новости Сайта Для умелых рук
Для того чтобы
ДОБАВИТЬ САЙТ В ЗАКЛАДКИ

Нажмите одновременно
(CTRL+D)

Здесь Вы обнаружите, практические советы, подсказки, идеи, схемы, чертежи, фото. Рассылка пишется для любителей мастерить, строить, самодельничать.
Узнайте первым о новых обзорах "Для умелых рук"
//
Цитаты
– Легко пережить то, чего ожидаешь и к чему давно привык. Только когда в твою жизнь приходит неожиданное, она становится увлекательной.
Ричард Бах

Чтобы прочитать новую цитату обновите страницу,или перейдите на любую другую



Главная » 2011 » Февраль » 6 » Усилитель мощности 200 ВТ на базе TDA 7294
02:22
Усилитель мощности 200 ВТ на базе TDA 7294

Ссылки для скачки Усилитель мощности 200 ВТ на базе TDA 7294

Скачать Усилитель мощности 200 ВТ на базе TDA 7294 с удалённого сервера


Усилитель мощности 200 ВТ на базе TDA 7294

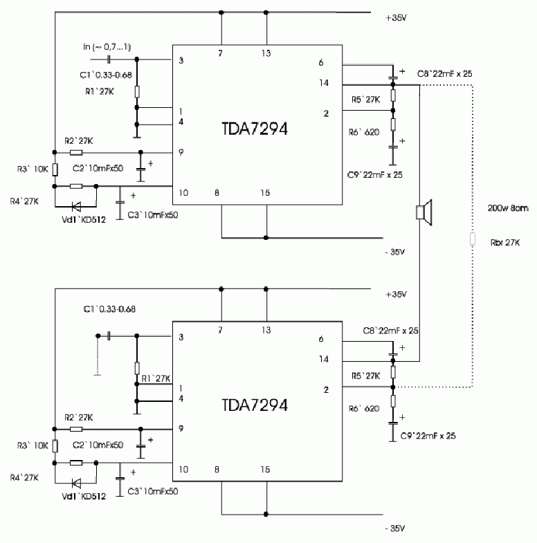
ИМС TDA7294 разработана и изготовляется группой компаний SGS-THOMSON Microelectronics. Это одна из наиболее удачных микросхем УМЗЧ, обладающая не только большой отдаваемой мощностью (100 Вт) и высокой надежностью, но и обеспечивающая наиболее качественное (среди ИМС) звучание. При создании мощных УМЗЧ на биполярных транзисторах (и ИМС) возникает опасность вторичного пробоя, приводящего к выходу их из строя. Существующие системы защиты (SOA) при работе на реактивную нагрузку (реальную АС) теряют свою эффективность. Для обхода этих проблем на выходе TDA7294 применены мощные полевые транзисторы, у которых вторичный пробой отсутствует, а усиление напряжения выполняют как биполярные, так и полевые транзисторы. Совмещенная биполярно-полевая технология с высоковольтными мощными МОП-транзисторами получила фирменное название BCD 100. В типовой схеме включения ИМС развивает 70 Вт синусоидальной мощности на нагрузке 8 6 4 Ом при напряжениях питания соответственно ± 35 31 27 В. Музыкальная мощность (по стандарту МЭК268.3) при этом составляет 100 Вт (при напряжении питание 35 В). В данном усилителе применены две ИМС TDA7294, что позволило развить музыкальную мощность 200 Вт.

Технические характеристики:

Выходная мощность - 200 Вт ( на 8 ом)
Коэфф. нелин. искажений при макс. мощности - -не более 0,1 %
Коэфф. нелин. искажений при мощности 5 Вт- -не более 0,005 %
Диапазон рабочих частот - -10-35000 гц
Уровень шума при замкнутом входе - - 95 дБ

Схема усилителя (23 Кб)
Схема Усилитель мощности 200 ВТ на базе TDA 7294



Ссылки на схожие материалы:

Категория: Электронные | Просмотров: 13317 | Добавил: deka1002 | Теги: Усилитель мощности, Усилитель мощности 200 ВТ, Усилитель мощности на одной микросх, мощных УМЗЧ
Всего комментариев: 0
avatar
*

Каталог Самоделкина!-- -->

Лучшие онлайн радиостанции


Как собственными руками сделать лук и арбалет
Как сделать Электровелосипед своими руками за 30 минут
Секреты радиомастеров А.П. Кашкаров
Делаем лестницы своими руками
Умелые руки - Smart Workshop Solutions

Нож своими руками.
Как правильно заточить нож.

Чертежи чудо печи работающей на отработанном масле
Собираем антенну для 3G-модема своими руками.
Секреты ремонта видеомагнитофонов-AKAI
Сварочный инвертор своими руками
Капельный полив, орошение

Полезные советы
Собираем антенну для 3G-модема своими руками.

Как сделать
Ремонт застежки молния на одежде. Как отремонтировать замок типа молния самому без выпарывания.

Электронные
Радиошпион А НЕТ ЛИ У НАС "ЖУЧКА"? -Антижучок

Автомобильные
Аэродинамическая насадка на выхлопную трубу

Полезные советы
Как выбрать стиральную машину

Умелое домоводство
ЧИСТИМ РЕШЕТКИ ОТ ПЛИТЫ!

Очумелые ручки
Придание гипсовым изделиям вида античной бронзы

Статистика

Онлайн всего: 19
Гостей: 19
Пользователей: 0


Copyright MyCorp © 2026 Правообладателям | |