Понедельник, 02.03.2026, 10:29
Для умелых рук
Главная | Внешняя антенна для 3G модема | Мой профиль | Регистрация | Выход | Вход
Поиск на сайте
Разделы
Полезные советы [96]
Электронные [149]
Сад и огород [33]
Новогодние поделки [22]
Умелое домоводство [15]
Строительство [13]
Рукоделие [13]
Компьютер сделай сам [7]
Из хлама и мусора [7]
Сувениры [4]
Как сделать [85]
Очумелые ручки [41]
Дизайн,ландшафт [15]
Автомобильные [18]
Методики, технологии, изобретения [15]
Из дерева и ДСП [14]
Делаем ремонт [16]
Мастеру на заметку [7]
Кулинария [26]
Мастер-Классы по Хэндмейду [6]
Шьем вяжем [8]
Лучшее на aliexpress [0]
Самые интересные и недорогие товары на aliexpress.com


Каталог файлов

Библиотека самоделкина [141]
Программы [28]
Другие [269]
Радиомастерская [53]
Полезное и интересное [183]
Игры и игрушки [0]
Видео [18]
Вкусно [7]
Для детей [7]
Мой уютный дом [191]
Меню сайта
Главная страница Файлы Самоделкина Видео Фотогалерея Самоделкина Электронные Экономия Делаем своими руками Компьютерные Стройка Сборка онлайн радио Форум Самоделкина Каталог сайтов Обмен ссылками Полезные статьи История сайта
Зайти на сайт
Подписка
Подписка на новости Сайта Для умелых рук
Для того чтобы
ДОБАВИТЬ САЙТ В ЗАКЛАДКИ

Нажмите одновременно
(CTRL+D)

Здесь Вы обнаружите, практические советы, подсказки, идеи, схемы, чертежи, фото. Рассылка пишется для любителей мастерить, строить, самодельничать.
Узнайте первым о новых обзорах "Для умелых рук"
//
Цитаты
– То, что ты видишь, - это твое собственное сознание. Если поднять этот занавес – как же изменится сцена!
Ричард Бах

Чтобы прочитать новую цитату обновите страницу,или перейдите на любую другую



Вид сбоку

Как построить баночную антенну на 2,4 GHz

фото баночной антенны для 3G модемаПодходит для беспроводных сетей (wireless) по стандарту 802.11b и, вероятно, для других приложений, работающих на этой частоте.



Что тебе понадобится:

1)     консервная банка

2)     N-гнездо («мама») и пара винтиков

3)     Отрезок 2мм медного провода
 

КОНСЕРВНАЯ БАНКА

 

банка без антенны Во-первых, понадобится консервная, изпод краски, кофе и т.п. банка. Естественно, пустая и чистая внутри. Диаметр банки должен быть в пределах 7.5 см – 10 см, по подсчетам, самый оптимальный размер примерно 9,2 - 9,3 см (успешно использовались банки с половиной данного диаметра, сам не пробовал). Высота банки должна быть более 13,5 см, но хорошие результаты могут давать как и более низкие, так и, конечно же, более высокие баночные антенны.

Банка, или по крайней мере дно банки, должны быть из из ровной жести, не волнистой. Я пробовал также и волнистую, оптимально короткую банку, результат был такой же хороший и даже лучше, чем с банкой из абсолютно ровной жести. Так что можно свободно экспериментировать с различными банками.

Однако, не имеет смысла срезать верхний край банки, так как
это сделал я. Ты конечно получишь более-менее ровные края, но без несущей части банка легко развалится по шву.

 

N-гнездо

 

гнездо для 3G антенны Я приобрел себе N-гнездо в Tevalo, однако, их можно найти и в других подобных магазинах. N-гнёзда есть преимущественно двух типов: закрепляемые с помощью винтов и такие, на которых есть своя гайка крепления. Нет никакой разницы какое из гнезд взять, я купил вариант с винтами (стоило около 40 крон). Если у кабеля, выходящего из твоей wireless сетевой карты, на конце какой-то другой контакт, то тебе будет необходимо соответствующее ему гнездо. 
 

 

Медный провод

 

Диаметр провода должен быть примерно 2 мм, длина примерно 3,1 см. Такой отрезок я получил из кабеля, оставшегося после электроработ, сняв с него изоляцию. Некоторые источники советуют использовать 4 мм провод. Сам не пробовал, поэтому не могу советовать.

 

Постройка

 

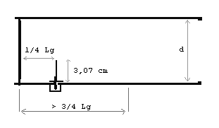
Отрежь от медного провода прямой кусок длиной примерно 3,1 cм и припаяй его к центральному контакту N-гнезда, держа провод как можно прямо. Следи внимательно, чтобы случайно не замкнулись центральный контакт с боковым. Волновод, или он же кусок провода, после закрепления его на внутренней поверхности банки, должен быть выше этой поверхности на 3,07=~3,1 cм. Точную длину получишь уже закрепив гнездо к банке и померив. Чем точнее размеры, тем лучше результат и тем сильнее сигнал.

 

Введи свои данные и подсчитай


Диаметр банки (см)

Рабочая частота антенны (MHZ)

Рабочая частота антенны Теперь рассчитай по диаметру своей банки подходящее расстояние от волновода (куска провода) до дна банки. Для этого расстояния хорошо подходит ¼ длины волны проводника (guidewavelength). Это расстояние означает расстояние от внутренней стенки банки, а не от того места, где кончается стенка банки. Необходимо также точно просверлить и отверстие, т.к. от правильности расстояния зависит то, как волны будут интерферировать и, соответственно, как усилится или ослабится сигнал. Чем точнее размеры, тем лучше результат и тем сильнее сигнал. Волны отражаются от внутренних стенок банки и поэтому, при поиске правильного места следует учитывать, что дно банки находится выше, чем конец стенки. Затем следует просверлить в правильном месте отверстие, чтобы нормально закрепить гнездо. При необходимости просверлить отверстия и для винтов крепления. Если под рукой не окажется сверла, то можно использовать гвоздь и напильник. Теперь осталось закрепить на стенку банки N-гнездо с припаянным к нему отрезком провода. Не помешает счистить краску в месте крепления, что улучшит контакт гнезда с банкой. Антенна готова, можно подсоединять кабель и начинать опробовать.

Направление

 

Сила сигнала во многом зависит от направления, так что направлять антенну надо достаточно точно. Я например направляю так, что прежде устанавливаю её в горизонтальном направлении, а затем осторожно двигаю в вертикальном направлении. Направлять надо почти так же как ствол ружья, т.е. прямо по направлению к цели. Но иногда бывает и так, что связь лучше всего тогда, когда направление антенны не совсем совпадает с направлением на точку прицеливания. Надо просто пробовать.

 

Крышка

Ага... для защиты от излучения неживой и живой природы необходимо закрыть чем-нибудь открытый конец антенны. Например, подходящей пластиковой крышкой, которая пропускает микроволны. Подходит крышка или нет можно проверить в микроволновй печи, поскольку она работает на подобных частотах. Помести испытуемую крышку в микроволновую печь вместе со стаканом воды (т.к. пустую или почти пустую печь нельзя включать), включи на 1-2 минуты, до тех пор пока не закипит вода. И если обнаружишь, что вместе с водой нагрелась и крышка, то  данный материал не годится для того, чтобы закрыть отверстие антенны, т.к. он не пропускает микроволны.

Для удаления конденсата можно сделать маленькое отверстие в нижней части антенны. Это должно предотвратить быстрое ржавление антенны.

Вообще, ржавчина ослабляет сигнал, да и консервные банки ржавлению долго не противостоят. Так что если связь начнет ухудшаться и направление  (прицеливание) антенны и т.п. больше не помогает, то стоит пойти в магазин за новой банкой.

Также ослабляет сигнал каждое соединение или каждый метр кабеля, соединяющий антенну и сетевую карту. Мой приблизительно 10 метровый кабель ослабляет сигнал как минимум на пару децибелл. Так что, чем меньше всяких штучек, тем лучше.

Тех. характеристики

Использовал BuffaloAirStationWLI-PCM-L11G карту, на частоте 2425 МГц. Accesspoint находится на на мачте , на удалении примерно 1-1,5 км. Наилучший стабильный сигнал, который я получил, направляя точно мою банку, был таким:
LinkQuality: 13/92 (качество соединения),
Signallevel: -85
dBm (уровень сигнала),
Noiselevel: -98
dBm (уровень шума)
Для сравнения, предыдущая «антенна», представлявшая из себя торчащий кусок провода, за которым был кусок жести, показала такие максимальные результаты:
LinkQuality: 6/92, Signallevel: -91 dBm,
Noiselevel: -98
dBm

 

Усиление сигнала на  3 db означает улучшение сигнала почти в два раза, в моём случае это четырехкратная разница. LinkQuality примерно при 6-9 позволяет данным двигаться уже со скоростью ~150-250 kb/s, так что при 13 была бы уже довольно хорошая скорость.

По адресу http://www.turnpoint.net/wireless/has.htm найдете самодельные антенны, которые показывают более лучшие результаты, но были испытаны на более короткой дистанции и немного лучшей видимости.

Стоимость

На розыск банки и постройку антенны было затрачено около 2 часов. Здесь не было учтено время пошедшее на изготовление крепления для банки. Стоимость же новой коммерческой антенны была бы, вероятно, четырехзначной.

Фото

Дополнительная информация




Дорогой посетитель. Если Вам нравятся страничка, поделитесь ею с друзьями


>




Случайные материалы сайта
Как резать арбуз! 7022
Сварочный инвертор своими руками 72300
Самый действенный рецепт для борьбы с муравьями с борной кислотой для дома 130
3G модем - самодельные антенны + программа-ускоритель 26001
Ремонт мягкой мебели 8779
Обед или ужин для тех кто не любит часто готовить 4886
Эмалевая замазка 7574
Преобразователя постоянного напряжения 12 В в переменное 220 В 11742
Ацетоноканифольный флюс 5721
Как сделать мыло своими руками 5572
Придание гипсовым изделиям вида античной бронзы 10872
Компьютерный БП для самодельного электроинструмента на 5, 12, 24 в 238
Как сшить мишку 290
Ремонт в ванной комнате 8829
Получение бензина из газа 12453
Имитатор светового сигнала охранной сигнализации 13402
Голосовой выключатель 12091
Как правильно чистить компьютер? 7194
Секреты ремонта видеомагнитофонов - Otake, Orion 15071
Дом для кошки своими руками 4490

*

Каталог Самоделкина!-- -->

Лучшие онлайн радиостанции


Как собственными руками сделать лук и арбалет
Как сделать Электровелосипед своими руками за 30 минут
Секреты радиомастеров А.П. Кашкаров
Делаем лестницы своими руками
Умелые руки - Smart Workshop Solutions

Нож своими руками.
Как правильно заточить нож.

Чертежи чудо печи работающей на отработанном масле
Собираем антенну для 3G-модема своими руками.
Секреты ремонта видеомагнитофонов-AKAI
Сварочный инвертор своими руками
Капельный полив, орошение

Электронные
Защита модема и телефона

Электронные
Пробники для "прозвонки" монтажа

Строительство
Колодец на даче, в загородном доме.

Шьем вяжем
Кардиган за пол часа

Как сделать
Включение видео плеера в телевизоре Samsung LE32C350D1W через сервисное меню

Полезные советы
Самый действенный рецепт для борьбы с муравьями с борной кислотой для дома

Новогодние поделки
Ёлочки своими руками

Статистика

Онлайн всего: 5
Гостей: 5
Пользователей: 0


Copyright MyCorp © 2026 Правообладателям | |