автоматика насоса, реле насоса, автоматическое отключения насоса">
Суббота, 14.03.2026, 13:33
Для умелых рук
Главная | | Мой профиль | Регистрация | Выход | Вход
Поиск на сайте
Разделы
Полезные советы [96]
Электронные [149]
Сад и огород [33]
Новогодние поделки [22]
Умелое домоводство [15]
Строительство [13]
Рукоделие [13]
Компьютер сделай сам [7]
Из хлама и мусора [7]
Сувениры [4]
Как сделать [85]
Очумелые ручки [41]
Дизайн,ландшафт [15]
Автомобильные [18]
Методики, технологии, изобретения [15]
Из дерева и ДСП [14]
Делаем ремонт [16]
Мастеру на заметку [7]
Кулинария [26]
Мастер-Классы по Хэндмейду [6]
Шьем вяжем [8]
Лучшее на aliexpress [0]
Самые интересные и недорогие товары на aliexpress.com

Каталог файлов

Библиотека самоделкина [141]
Программы [28]
Другие [269]
Радиомастерская [53]
Полезное и интересное [183]
Игры и игрушки [0]
Видео [18]
Вкусно [7]
Для детей [7]
Мой уютный дом [191]

Меню сайта
Главная страница Файлы Самоделкина Видео Фотогалерея Самоделкина Электронные Экономия Делаем своими руками Компьютерные Стройка Сборка онлайн радио Форум Самоделкина Каталог сайтов Обмен ссылками Полезные статьи История сайта
Зайти на сайт
Подписка
Подписка на новости Сайта Для умелых рук
Для того чтобы
ДОБАВИТЬ САЙТ В ЗАКЛАДКИ

Нажмите одновременно
(CTRL+D)

Здесь Вы обнаружите, практические советы, подсказки, идеи, схемы, чертежи, фото. Рассылка пишется для любителей мастерить, строить, самодельничать.
Узнайте первым о новых обзорах "Для умелых рук"
//
Цитаты
– Судьба не толкает тебя туда, куда ты не хочешь идти. Выбираешь только ты сам. Ты сам выбираешь свою судьбу.
Ричард Бах

Чтобы прочитать новую цитату обновите страницу,или перейдите на любую другую



Главная » 2012 » Июнь » 9 » Устройства автоматического отключения насоса
10:00
Устройства автоматического отключения насоса

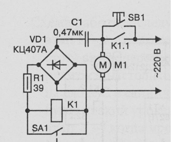
Автомат отключения насоса с поплавковым датчиком уровня воды

Схема работает следующим образом:

               этап 1 — при неполном баке контакты датчика SA1 разомкнуты (рис. 1).

 

               этап 2 — после нажатия на кнопку SB1 сетевое напряжение по­ступает на электродвигатель насоса Ml (через С1 и VD1) на об­мотку электромагнитного реле К1, кото­рое срабатывает и своими контактами К 1.1 блокирует контакты кнопки SB1.

 

        этап 3 — при наполнении бака до за­данного уровня контакты SA1 датчика замыкаются, реле К1 отпускает, его кон­такты при этом размыкаются и отключа­ют электродвигатель Ml от сети. Устройство переходит в исходное состояние и для повторного пуска насоса необходимо  вновь нажать на кнопку ЬВ1.

Конденсатор С1 балластный и служит для снижения напряжения на обмотке реле до его рабочей величины, резистор R1 ограничивает ток перезарядки конденсатора в момент замыкания контактов датчика SA1.

 

Схема автоматики насоса

 

 

 

 

Рис. 1. Принципиальная схема автомата отключения насоса с поплавковым датчиком

 

В автомате использовано реле РПУ-2 с сопротивлением обмотки 4,5 кОм и рабочим напряжением 110 В. Оно имеет специальный виток, охватывающий часть магнитопровода, что делает реле нечувствитель­ным к пульсациям напряжения питания.

Примечание.

При применении другого реле для обеспечения рабочего напряжения на его обмотке, возможно, придется включить параллельно выход­ной диагонали моста VD1 конденсатор емкостью около 1 мкФ на напряжение не менее 160 В и подобрать емкость конденсатора С 1.

 

Кнопка SB1 должна быть рассчитана на полный ток электродвига­теля насоса, а конденсатор С1 — иметь рабочее напряжение не менее 400 В (например, К73-16 или К73-17). Мост VD1 — любой на напря­жение не менее 300 В, можно применить четыре отдельных диода на то же напряжение.

 

Внимание.

Поплавковый датчик не очень удобен. Его контакты соединены с сетевыми проводами, что требует повышенных мер безопасности при эксплуатации.

 

Следующая схема представляет собой автомат отключения насоса с бесконтактным датчиком уровня воды (электроды подключены к входам 1 и 2). Эту схему (см. рис. 2) также разработал П. Алешин, г. Москва.

 

Схема автоматики насоса

 

 

 

 

Рис. 2.схема автомата отключения насоса с бесконтактным датчиком

 

Схема работает сле­дующим образом:

 этап 1 — напряже­ние питания пода­ется на устройство при замыкании контактов выклю­чателя SA1. Если приемный резерву­ар заполнен не пол­ностью, ток базы транзистора VT1 равен нулю, и он закрыт. Напряжение 27—30 В с выхода выпря­мителя через цепочку R5C2 поступает на обмотку реле К1, кото­рое срабатывает в момент включения SA1 и своими контактами К 1.1 и К 1.2 включает электродвигатель насоса;

этап 2 — по мере зарядки конденсатора С2 ток через обмотку реле К1 уменьшается, но для его удержания достаточно тока, протекающе­го через резистор R4. Светодиод HL1 красного свечения горит и ин­дицирует включение автомата;

этап 3 — при заполнении резервуара возникает ток между электродами датчика, и транзистор VT1 открывается. Его кол­лекторный ток зажигает светодиод HL2 зеленого свечения, индицирующий наполнение резервуара, и выключает реле К1. Контакты К1.1 и К1.2 реле размыкаются, и двигатель насоса останавливается.

этап 4 — при расходовании воды базовый ток транзистора VT1 станет равным нулю, он закроется, светодиод HL2 погаснет.

Примечание.

Реле, однако, не сработает, поскольку тока, протекающего через рези­стор R4, недостаточно. Для повторного пуска насоса необходимо выключить и вновь включить SA1.

 

Конденсатор С1 подавляет наводки на провода, идущие к электро­дам датчика, резистор R5 ограничивает ток перезарядки конденсатора С2, текущий через транзистор VT1 в момент его включения. Делитель напряжения R1R2 задает напряжение на электродах датчика и ограни­чивает ток базы транзистора VT1.

Рассмотрим «водяную» часть системы. Приемный резервуар пред­ставляет собой полиэтиленовую бочку объемом 200 л. Она может быть установлена на чердаке садового дома. Электродами служат два отрезка оцинкованной стальной трубы, введенные в бочку сверху через ее резьбовые пробки. По одной трубе, доходящей до дна бочки, производятся ее заполнение и отбор воды в водопровод дома. Другая (ее длина около 80 мм, и к ней подсоединена полиэтиленовая гофри­рованная труба) служит для слива избытка воды при переполнении бочки из-за отказа автомата или обрыва проводов, идущих к датчику.



Ссылки на схожие материалы:

Категория: Электронные | Просмотров: 14900 | Добавил: deka1002 | Теги: автоматика насоса, реле насоса, автоматическое отключения насоса
Всего комментариев: 0
avatar
*

Каталог Самоделкина!-- -->

Лучшие онлайн радиостанции


Как собственными руками сделать лук и арбалет
Как сделать Электровелосипед своими руками за 30 минут
Секреты радиомастеров А.П. Кашкаров
Делаем лестницы своими руками
Умелые руки - Smart Workshop Solutions

Нож своими руками.
Как правильно заточить нож.

Чертежи чудо печи работающей на отработанном масле
Собираем антенну для 3G-модема своими руками.
Секреты ремонта видеомагнитофонов-AKAI
Сварочный инвертор своими руками
Капельный полив, орошение

Как сделать
Самодельная газовая горелка

Методики, технологии, изобретения
ПЛАВКА МЕТАЛЛОВ ИНДУКЦИОННЫМИ ТОКАМИ

Методики, технологии, изобретения
Бормашина уйдет из нашей жизни

Электронные
Самодельная простая электронная сигнализация. Как сделать сигнализацию самому. Схема сигнализации

Сад и огород
Болезни сада

Сад и огород
Простая система капельного полива своими руками на своем приусадебном участке

Электронные
Цветовая маркировка резисторов. Программа.

Статистика

Онлайн всего: 7
Гостей: 7
Пользователей: 0


Copyright MyCorp © 2026 Правообладателям | |