|
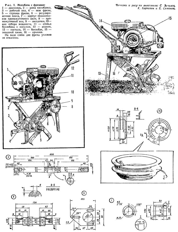
Мотоблок, разработанный Генрихом Алексеевичем Кузнецовым из Подмосковья, отличается от многих самодельных конструкций применением вместо плуга фрез. Вращаясь на рабочем валу, они одновременно обрабатывают почву, служат опорными элементами и движителем. Всего несколько минут требуется, чтобы заменить их на колеса. Тогда на мотоблок легко навесить дисковую косилку, бульдозерный нож, прицепить плуг, окучник, борону или двухколесную самосвальную тележку грузоподъемностью 300 кг,
оснащенную тормозами. С помощью специального приспособления можно обрабатывать грядки клубники, транспортировать бревна.
Вес мотоблока с полной заправкой топлива 72 кг (для сравнения: МТЗ-05 весит 135 кг), передач три, скорость движения 4—25 км/ч. Одну сотку можно вспахать с помощью этой машины эа 12—15 мин при глубине обработки до 230 мм.На мотоблоке использован двигатель от "мотороллера «Вятка», имеющим воздушное охлаждение, причем принудительное, что дает ему возможность длительное время работать с максимальными нагрузками. Небольшие переделки относятся к рычагу сцепления, карбюратору, системе запуска двигателя, к коробке передач. Так, для удобства управления рычаг сцепления развернут на 180°: от его стержня у самого основания отпилен палец, перенесен на другую сторону стержня и здесь приварен. Это позволило поставить рукоятку сцепления под левую руку и уменьшить длину передающего троса.
Патрубок карбюратора, соединяющий его с двигателем, развернут таким образом, чтобы карбюратор находился как можно ниже по отношению к бензобаку: ведь топливо поступает к нему самотеком. Рычаг кикстартера снят. Запуск производится с помощью капронового шнура, намотанного на самодельный заводной дюралюминиевый шкив Ø 120 мм. Он установлен в кожухе на оси вентилятора рядом с последним. Для закрепления шнура узел на его конце вводится в наклонный паз на буртике шкива. К находящемуся в коробке сектору передач приварен рычаг управления длиной несколько более 400 мм, что позволяет переключать скорости, находясь непосредственно за ручками водила. При установке сектора на место (на ось) после сварки обратите внимание на то, что рычаг должен находиться первоначально в нейтральном положении.
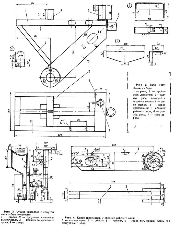
Рама мотоблока сварная и представляет собой четырехугольник (600x210 мм) из коробчатых профилей прямоугольного сечения 27х25х2 мм; задняя часть закрыта уголком. Снизу от нее отходит короб трансмиссии с обоймой главного вала, поддерживаемым упором. Сверху к раме приварен кронштейн двигателя, поставлен на болтах хомут обоймы вала отбора мощности вместе со стопкой бензобака. Хомут изготавливается из стальной пластины шириной 23 и толщиной 3 мм; в ее концах просверливаются отверстия под болты M10. Кронштейн двигателя нз двух стальных полос 32х4 мм. Одна изгибается в П-образный профиль: в центре его — вырез 23х10 мм для болта двигателя; другая — усиливающая — приваривается к ней в верхней части с внутренней стороны.
Короб трансмиссии — сварной. Основание его из металлических лент 40х4 мм, щеки несколько более сложной конфигурации с отверстиями и вырезами. Своим верхним концом он приваривается к уголку рамы, отходя от нее с наклоном под углом 35°. Поэтому и срезаны щеки здесь по-разному: с одного края под углом 35°, с другого — под углом 55°. На нижнем конце короба вырезан сектор радиусом 48 мм для обоймы главного вала. В правой щеке (если смотреть спереди мотоблока) просверливаются три отверстия под болты М6 для крепления регулировочной платы вторичного вала (при сборке). В связи с необходимостью в процессе сборки и эксплуатации регулировать положение вторичного вала и натяжение цепи предусматривается эллипсное отверстие под вал.
Кроме того, здесь же приваривается четырехгранная гайка М10: в нее ввинчивается регулировочный болт платы с контргайкой. Левая щека в отличие от правом имеет большее эллипсное отверстие. Это необходимо для надевания цепи на звездочки, подтяжки болтов платы изнутри короба и обеспечения возможности смазки и осмотра узлов. Отверстие закрывается крышкой на десяти болтах М5. Словом, короб — это подрамная часть конструкции, на ней крепятся основные детали трансмиссии.
Передача усилий от двигателя на рабочий орган мотоблока происходит следующим образом. На валу отбора мощности поставлена звездочка с числом зубьев = 11. Промежуточный вал имеет две звездочки с Z = 41 и с Z = 11: последняя выведена в короб и является ведущей по отношению к рабочему валу, на котором находится еще одна с Z=15. Цепи — их две — взяты с шагом 12,7 мм.
С помощью промежуточного вала происходит «перемещение» переданного на него усилия в центральную плоскость агрегата, а также уменьшение числа оборотов. Сам вал вращается в двух подшипниках, запрессованных в металлическом корпусе, последний, в свою очередь, приварен к регулировочной плате. Имея три специальных отверстия под крепежные болты иа коробе, плата может перемещаться вдоль него, регулируя натяжение цепи: фиксируется болтом регулировочной гайки на щеке. Внутренний подшипник устанавливается в корпусе так, что частично заходит в центральное отверстие платы.

С помощью промежуточного вала происходит «перемещение» переданного на него усилия в центральную плоскость агрегата, а также уменьшение числа оборотов. Сам вал вращается в двух подшипниках, запрессованных в металлическом корпусе, последний, в свою очередь, приварен к регулировочной плате. Имея три специальных отверстия под крепежные болты иа коробе, плата может перемещаться вдоль него, регулируя натяжение цепи: фиксируется болтом регулировочной гайки на щеке. Внутренний подшипник устанавливается в корпусе так, что частично заходит в центральное отверстие платы.

Несколько слов о порядке сборки этого узла. Вначале в корпус запрессовывается внешний подшипник и вставляется вал. Затем ставится на место внутренний подшипник и на его оставшуюся свободной часть надевается плата. Осторожно, с перерывами, чтобы не перегревать детали узла, она приваривается к корпусу и закрепляется болтами на коробе. Наконец короб верхними концами щек приваривается к раме. Обратите внимание на то, что между рамой и звездочкой вала отбора мощности с Z=41 необходимо оставить зазор величиной 15 мм для свободного хода цепи.
Примерно так же собирается и узел главного вала, то есть начинают с запрессовки подшипника в обойму, вставляют вал, закрепляют на шпонке звездочку и устанавливают второй подшипник. После того как обойма закрыта крышками, приступают к сварке ее со щеками, а затем, тщательно проверив их на параллельность, приваривают к ним ленты короба. Такой порядок операций по сборке необходимо соблюдать, чтобы металл отдельных частей не повело при сварке и не происходило бы их смещение относительно друг друга.
Несколько слов о ходовой части и рабочих органах. Как уже говорилось, замена фрез на колеса — минутное дело, надо только снять ступицы фрез и надеть ступицы с колесами. Каждая из них состоит из втулки, фланца и четырех пальцев: соединение их между собой сварное. Пальцы имеют резьбу под гайки для закрепления на них диска колес. Кроме того, во втулках просверлены отверстия Ø 10 мм — такие же имеются на концах рабочего вала: когда ступицы с колесами надеваются на вал, эти отверстия согласовываются и в них вставляется чека.
Ступица фрез имеет на втулке два фланца: внешний и внутренний; один относительно другого повернут на 45°. Ножи ставятся с обеих сторон фланцев попарно, параллельно друг другу, «острием» в разные стороны; крепятся болтами М10. Всего на рабочем валу вращается 16 фрез, изготовленных из металлических полос толщиной 5 мм. Ступицы фрез также надеваются на рабочий вал и закрепляются чеками.
Сборку мотоблока лучше вести, соблюдая следующий порядок. Рама с приваренными к ней узлами и деталями устанавливается на колеса и с помощью костыля фиксируется в горизонтальном положении. Сверху размещается двигатель так, чтобы звездочка вала отбора мощности и звездочка промежуточного вала находились в одной вертикальной плоскости и между ними и рамой могла бы свободно проходить цепь передачи. Поэтому паз в кронштейне под шпильку крепления двигателя вырезается уже после такой «примерки». Затем устанавливается стойка с хомутом (по месту), надеваются обе цепи и выполняется регулировка их натяжения. На первичную передачу ставят кожух (крышки короба тщательно закрывают, чтобы в трансмиссию не попадала земля и пыль), подсоединяют бензобак, приборы системы зажигания.
Если при работе на мокром грунте, на вязкой почве мотоблок с колесами будет пробуксовывать, изготовьте круговые грунтозацепы, которые при необходимости можно будет надевать на колеса. Для этого из проволоки Ø 8—10 и длиной 1287 мм (для колес мотороллера «Вятка») сваривают два кольца. Между ними приваривают 12 дуг зацепов, сделанных в виде сегментов из металлической полосы (шириной 15—20 и толщиной 3—5 мм) с внутренним радиусом 120 мм, а также — в любом месте кольца — ставят стяжку из болта М8 с гайкой. Отпилив под стяжкой небольшой кусок проволоки, получим возможность регулировки натяжения колец грунтозацепов для снятия или, наоборот, закрепления их на колесе.
Г. КУЗНЕЦОВ. Московская обл.
М-К №10 1983г.
Ссылки на схожие материалы:
|