Джойстик своими руками В этой небольшой статье я постараюсь изложить информацию,
необходимую для понимания принципа работы обычного аналогового джойстика,
подключаемого к игровому порту компьютера. Стандартный игровой порт, расположенный на звуковой карте,
обслуживает аналоговые сигналы X1, Y1, X2, Y2 и дискретные B1, B2, B3, B4. С
помощью аналоговых сигналов передаются данные об отклонении рукоятки джойстика,
с помощью дискретных - данные о нажатии кнопок джойстика. Таким образом
изначально игровой порт был расчитан на подключение двух двухкнопочных
джойстиков. Но как правило подключается один джойстик и дополнительные
устройства. В таком случае аналоговые оси распределяются так:
X1 - перемещение рукоятки вперед-назад (тангаж) Y1 -
перемещение рукоятки влево-вправо (крен) X2 - перемещение педалей Y2 -
перемещение рукоятки управления двигателем - РУДа (тяга)
Положении рукоятки, РУДа и педалей определяется с помощью
стоомных потенциометров: минимальное сопротивление - крайнее левое (верхнее)
положение, максимальное - крайнее правое (нижнее) положение. В принципе можно
использовать и другие потенциометры, но тогда джойстик прийдется достаточно
точно откалибровать. Кнопки замыкаются на землю. Вместо передачи данных о положении РУДа, сигнал X2 может
использоваться для передачи данных о положении хата - переключателя вида. Это
что касается аналоговых устройств. Так называемые цифровые игровые устройства
передают данные о положении рукоятки, РУДа, педалей, хата и кнопок с помощью
цифровых протоколов, используя для этого дискретные сигналы игрового порта.
Наиболее распространенные расширения функций игрового порта и реализации
цифровых интерфейсов будут описаны отдельно.

| Контакт
| Сигнал
| Контакт
| Сигнал |
|---|
1 2 3 4 5 6 7 8 | +5V B1 X1 GND GND Y1 B2 +5V | 9 10 11 12 13 14 15 | +5V B3 X2 GND Y2 B4 +5V |
Для подключения игровых устройств служит разъем
типа DB15 -
"мама" на звуковой карте и "папа" на кабеле, идущем к игровым
устройствам. Выше дана его распиновка (разъем DB15 "мама", вид со
стороны контактов). Поскольку разъем игрового порта часто
совмещают с разъемом MIDI, контакты 8, 12 и 15 могут иметь другое
предназначение. Поэтому лучше брать питание и землю с 1, 9 и 4, 5
контактов
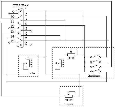
разъема. Ниже приводится схема простейшего аналогового игрового
устройства,
состоящего из четырехкнопочного джойстика, РУДА и педалей. Вместо
переменных резисторов могут использоваться оптопары - светодиод и
фоторезистор. Такой джойстик называется оптическим и большинство
игроков отдают предпочтение именно оптическим джойстикам. Скачать бесплатно программы по строительству. Муниципальная программа строительства жилья.

viva bianca
Ссылки на схожие материалы:
|