|
Самодельная неоновая подсветка автомобиля
Сделав первую свою подсветку, я стал замечать и её крайне плохую работу. Во-первых, преобразователь работал очень нестабильно. Много времени уходило на настройку этих капризных устройств, давал сильные помехи всему электрооборудованию, срабатывали реле, загорались лампочки. При попытке поставить параллельно питанию конденсатор сглаживающий - он так глючил, вплоть до сгорания транзистора, и кондер грелся нехило. Может, конечно, питание надо было прямо от аккумулятора брать, но все же. Во-вторых, эти преобразователи обладают таким свойством, как очень быстрое перегорание волосков в лампах, почернение концов лампы в первый же час работы, и срок службы лампы очень сильно снижался до считанных часов. В-третьих, при изменении напряжения питания проявляются странные глюки. С повышением в определенный момент ток потребления подскакивает до нескольких ампер, и при снижении напряжения не уменьшается. Помогает только выключение. Короче отстой. Впрочем, в салон я повесил лампу именно на таком преобразователе - работает хорошо, но это скорее исключение. Ну, хватит о плохом.
Схема моего нового преобразователя была получена с китайской автомобильной подсветки. Как-то купив эту, извините, лампу, я поставил её под сиденье. Светило хорошо, равномерно, но не слишком ярко. И вот в какой-то момент я увидел что лампа не работает и шипит. Я сразу отключил и расковырял. Оказалось что там на плате дорожки расположены слишком близко и их пробивало искрой. Плата прогорела насквозь! Оттуда я почерпнул эту схему и с учетом того, что лампы у меня намного больше, модернизировал её.

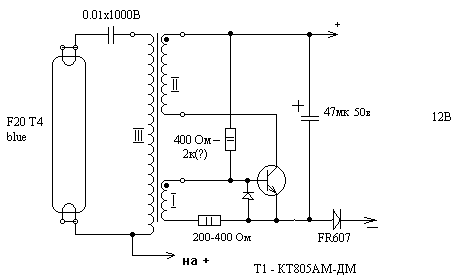
Что касается деталей. Резисторы должны быть минимум на 1Вт. Диод на входе FR607. Я применил такой, потому что он на 6А 1000В и небольшой. Можно и другие, на напряжение не меньше 50В и ток не меньше 3А. Диод между базой и эмиттером транзистора в принципе любой, например 1N4003 - 4007. Их как грязи везде. Трансформатор точно такой, как и в первых преобразователях. На один конец высоковольтной обмотки через конденсатор подключается один вывод лампы (два контакта с одной стороны лампы лучше соединить). Конденсатор этот не простой, а высоковольтный. Я ставил МБМ 0.01х1000В, причем емкость его может быть от 0.1мк до 0,01-0,0047мк. От емкости зависит яркость свечения ламп. А вот на меньшее напряжение не стоит ставить. Может пробить. Если конденсатор становится теплым после нескольких минут работы, то лучше заменить его и поставить последовательно соединенные на 0,022х1000В. Конденсатор электролитический на входе на напряжение не меньше 50В, а то и на все 100. Если меньше - сильно греется. Резистор на 200-400 Ом - его сопротивление может быть разным, но если поставить на 470 Ом, то без лампы преобразователь меньше греется, а на 200 Ом - греется сильно. Резистором на 400 Ом - 2,5К регулируется яркость свечения и ток потребления. Я применял в первом своем преобразователе на 820 Ом. Во второй пришлось поставить на 1.5К, чтобы ток потребления был около 1.4А и светились ярко. В третий преобразователь пришлось поставить на 2К. Неужели это связано с разбросом параметров транзисторов? Радиаторы я поставил вдвое меньше чем на первый вариант подсветки, т.е разрезал предыдущий радиатор надвое, при том что греется намного меньше и листа алюминия 6смХ4см - это с запасом. После долгой работы становятся теплыми, но умеренно. При этом светят лампы ярко и ток потребления 1.2-1.6А. Это при использовании лампы на 20W. Чтобы исключить контакт деталей с радиатором или друг с другом, я все резисторы и соединения обмотал изолентой, причем лучше использовать отечественную изоленту, она хоть и хуже клеится, зато горазда прочнее. Не стоит забывать, что на преобразователи подадутся отнюдь не 12,7 вольт, а с учетом падения напряжения в проводах - около 11 - 11,5В. Поэтому и настраивать нужно при таком напряжении питания.
 
 

Что касается налаживания. Обмотки трансформатора, начинающиеся с одного конца помечены точками. Высоковольтную обмотку пока не соединять с первичкой и лампы с кондером не вешать. После того, как напряжение подано и ничего не взорвалось, берем лампу и держась за стекло контактами с одного края касаемся сначала одного отвода высоковольтной обмотки, а потом другого. При касании одного из проводов высоковольтной обмотки лампа тускло загорится, а при касании другого нет. Тот контакт, возле которого лампа не горит и соединяется с первичкой, а на другой вешается кондер и лампа, а не наоборот! Причем интересно, что другой конец лампы соединяется не с высоковольтной обмоткой, а с "+" питания. При включении лампа загорается тускло, по краям видно свечение и через долю секунды она зажигается. Если лампа светит тускло и возле краев наблюдается свечение, значит либо ошибка в монтаже, либо в трансформаторе. Так же не стоит пренебрегать безопасностью и поставить в каждый преобразователь предохранитель. Подключать лампы через реле (как фары), либо через мощный переключатель, ведь ток около 6А.
Эту схему я искал несколько месяцев. В интернете находил и делал схемы, но они были либо на очень маленькие лампы, либо для тусклого свечения лампы. При попытке переделать на поярче, я сжег не одну лампу. Казалось бы что там можно сжечь, если этими схемами можно запустить лампу даже без нитей накала? Но при подключении лампы напрямую к высоковольтной обмотке в лампе обгорает по краям внутри все что можно. А в интернете таких схем подавляющее большинство. Кто-то может сказать, зачем такой геморрой нужен был, если за все это время можно было заработать денег не на одну подсветку днища. Но я думал, что в инете схемы, работающие и времени займет от силы неделю по вечерам. Но оказалось, что растянулось на пол года. И я надеюсь что, наконец, хоть это описание реально хорошо работающего преобразователя для запуска ламп дневного света станет для кого-то полезным, и у людей не будет таких проблем, как тусклое свечение, мерцание, обгорание контактов и т.д.
 


На данных фотографиях можно увидеть снимки работающей подсветки. Снимки сделаны телефоном, поэтому и цвет похуже, и вместо равномерного свечения - какие-то белые пятна. Еще следует учесть, что подсветка установлена на ниву, и расстояние от земли до лампы, особенно сзади более 40см.
Ссылки на схожие материалы:
|