//
| Цитаты |
–Помни, что этот мир – не реальность. Это площадка для игры в кажущееся. Здесь ты практикуешься побеждать кажущееся, знанием истинного. Ричард Бах
Чтобы прочитать новую цитату обновите страницу,или перейдите на любую другую
|
|
В категории материалов: 49 Показано материалов: 1-10 |
Страницы: 1 2 3 4 5 » |
Сортировать по:
Дате ·
Названию ·
Рейтингу ·
Комментариям ·
Загрузкам ·
Просмотрам
![Радио (Радиолюбитель, Радио всем, Радиофронт) + дополнительные материалы [1924-1941, 1946-2022, PDF/DjVu, RUS]](/_ld/2/27981525.jpg) Год издания: 1924-1941/1946-2022
Формат: PDF/DjVu
Качество: Отсканированные страницы
Описание: «Радио» — массовый ежемесячный научно-технический журнал, посвящённый радиолюбительству, домашней электронике, аудио/видео, компьютерам и телекоммуникациям.
|
 Данный диск рассчитан на людей, знакомых с основами электроники, цифровой и телевизионной техники. Здесь в доступной форме изложены основные сведения об устройстве, назначении и принципе работы узлов и механизмов проигрывателя CD. Отдельно обсуждены форматы CD, отличные от формата музыкальных CD, и примеры их использования. |
 Серия книг, посвященная электронике, схемотехническому проектированию радиоэлектронных устройств, проектированию и технологическим аспектам производства разнообразных микроустройств, основам аналоговой и цифровой схемотехники |
 Большая подборка схем, фотографий, описаний конструкций современных сварочных установок. Собрана на свободном ресурсе интернета энтузиастами |
 Вы приобрели дом, купили квартиру, арендовали офис, сняли производственные помещения и решили модернизировать энергоснабжение, электрооборудование и электропроводку. |
 Бесценная книга! В одном практическом руководстве приведены легко выполнимые приемы ремонта электронной техники от настройки телевизионных антенн до ремонта персонального компьютера.
Как устранить неисправность и оптимизировать работу? Почти у каждого настоящего хозяина имеется перечень мелких неисправностей в доме, которые необходимо устранить. |
 У настоящего мастера действительно золотые руки, если он может сделает ими всё: и розетку поменять, и проводку проложить, и даже выполнить заземление дома. На самом деле это не так сложно, если у вас есть наша книга. Ведь это настоящее руководство к действию, в котором вы найдете всё, что нужно знать об устройстве домашней электрической сети, ее монтаже и системах защиты. |
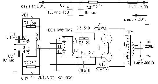
 Схемы различных инверторов с 12 на 220 вольт от простых к сложным. |
 Представляю вашему вниманию детальное пошаговое руководство по самостоятельной сборке самодельной солнечной батареи. Данная книга – вольный перевод статьи Майкла Дэвиса о постройке недорогой солнечной батареи. |
В данном видеокурсе вы уведите не сложные формулы и расчеты, а о
бесхитростные, неоднократно опробованные методы. Ведь,то о чем тут будет
изложено, должно принести Вам нужный объем практических навыков, для самостоятельной настройки и установки спутниковой антенны и тюнера .После просмотра вы сможете своими руками установить спутниковое телевидение себе и ещё и заработать этим. |
|
| Статистика |
Онлайн всего: 3 Гостей: 3 Пользователей: 0
|
|