|
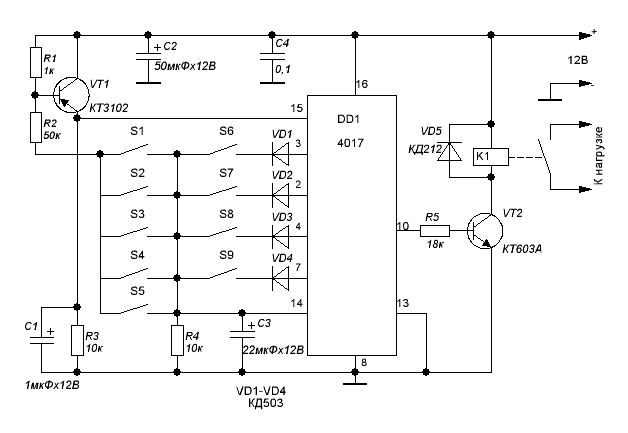
Предлагаемая схема поможет вам собрать простой кодовый замок с
высокой шифростойкостью(ну и словцо). Чтобы подобрать забытый вами по пьяни или по другим
причинам код, придется перебрать 10000 вариантов. При этом код замка состоит из
4-х цифр нажатых в определенной последовательности. Итак, сама схема:

Принцип работы этого девайса не
отличается от принципа работы других электронных кодовых замков на микросхемах.
Кто долгое время копается в стране электроники уже в этом шарит, но для новичков
поясню. Кнопками S6-S9 на схеме обозначены "правильные" кодовые цифры,
кнопками S1-S5 - цифры, которые в коде не нужны вовсе. Первоначально на
выводе 3 мc присутствует напряжение (логическая "1"). Когда нажимается кнопка
"S6", логическая "1" поступает на вход счетчика 14, и логическая "1" появляется
на выводе 2. Таким же образом, после нажатия кнопки "S7" логическая "1"
появляется на выходе 4, а после нажатия кнопки "S8" - на выходе 7. После нажатия
последней верной цифры - "S9" - логическая "1" появляется на выходе 10,
транзистор VT2 открывается, реле срабатывает и своими контактами подключает
нагрузку. Срабатывание реле индицируется светодиодом. В случае нажатия любой
из "неверных" цифр (S1-S5) логическая "1" поступит на вывод 15 ("Reset"- сброс в
исходное состояние), и подбор кода придется начинать сначала. Вот такая вредная
пакость.
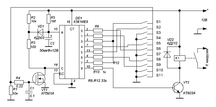
Следующий замок на микросхеме К561ИЕ9 и полевом транзисторе
КП501А. Принципиальных отличий в сложности от предыдущей схемы немного, в
общем смотри сам:

Вообще сама микросхема представляет собой четырехзначный счетчик
Джонсона. Принцип работы данной схемы, подобен схеме расписанной выше, хотя
кнопок на ней и больше.
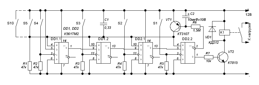
Замок на микросхеме К561ТМ2. Точнее
на двух микросхемах.
 Работает электрическая схема следующим образом. В начальный
момент, при подаче питания, цепь из конденсатора С1 и резистора R1 формирует
импульс обнуления триггеров (на выходах 1 и 13 микросхем будет лог "0"). При
нажатии на кнопку первой цифры кода (на схеме - SВ4), в момент ее отпускания
триггер D1.1 переключится, т. е. на выходе D1/1 появится лог. "1", так как на
входе D1/5 есть пог. "1". При нажатии очередной кнопки, если на входе 0
соответствующего триггера имеется лог. "1", т. е. предыдущий сработал, то пог.
"1" появится и на его выходе. Последним срабатывает триггер D2.2 , а чтобы схема
не осталась в таком состоянии надолго, используется транзистор VT1. Он
обеспечивает задержку обнуления триггеров. Задержка выполнена за счет цепи
заряда конденсатора С2 через резистор R6. По этой причине на выходе D2/13 сигнал
лог. "1" будет присутствовать не более 1 секунды. Этого времени вполне
достаточно для срабатывания реле К1 или электромагнита. Время, при желании,
легко можно сделать значительно больше, применив конденсатор С2 большей емкости.
В процессе набора кода нажатие любой ошибочной цифры обнуляет все триггеры.
Ну вот в принципе и все...
З.Ы. Кстати, не забывайте время от времени менять кнопки местами-ведь кнопки, которые часто используются будут стираться...
|